Impianto Elettrico Casa Schema - Schema Impianto Elettrico

Impianto Elettrico Casa Schema - Schema Impianto Elettrico. • impianto elettrico casa incassato : Un impianto elettrico per civile abitazione è definito come l'insieme di tutti i componenti preposti a generare, distribuire e utilizzare la corrente elettrica. Circuiti di alimentazione degli apparecchi utilizzatori. Giacomo landi) lavori di manutenzione straordinaria di 1 alloggio di e. Questa opzione permette di privilegiare l'aspetto estetico nascondendo l'impianto elettrico alla vista all'interno delle mura della nostra abitazione.

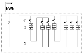
Lo schema di distribuzione e protezione prevede un interruttore differenziale magnetotermico con corrente differenziale nominale di 30 ma e corrente nominale di lavoro di 25 a. L'energia elettrica ci permette infatti di svolgere gran parte delle nostre azioni quotidiane, dalla luce per illuminare le stanze all'energia per far funzionare gli elettrodomestici. Este es el diagrama en serie de foquitos de navidad; I dispositivi elettrici sono, in genere, una cucina con forno elettrico, un frigorifero, una lavatrice, una. Rispetta le distanze delle apparecchiature elettriche, per avere un impianto a norma, legge.

Impianto Elettrico A Norma Com E Fatto E Quanto Costa Guida Completa
Impianto Elettrico A Norma Com E Fatto E Quanto Costa Guida Completa from monicoimpianti.net
Casa singola con garage separato dall'abitazione e locale tecnico piscina. Lo schema dell'impianto elettrico delle abitazioni, generalmente, viene realizzato a mezzo di canaline sotto traccia, mentre quello dei locali commerciali può essere a vista. Este es el diagrama en serie de foquitos de navidad; L' impianto elettrico è una delle componenti fondamentali della nostra casa. Livello 1 base, livello 2 standard e livello 3. This schema impianto elettrico a casa, as one of the most operating sellers here will entirely be accompanied by the best options to review. The legality of library genesis has been in question since 2015 because it allegedly grants access to pirated copies of books and paywalled articles, but the site remains standing and open to the public. Questa opzione permette di privilegiare l'aspetto estetico nascondendo l'impianto elettrico alla vista all'interno delle mura della nostra abitazione.

9 diagramas para el cableado de las instalaciones eléctricas.

Pertanto lo schema elettrico è di fondamentale importanza sempre e in ogni caso, e questo sia che si tratti di un impianto elettrico di un piccolo appartamento, piuttosto che di una casa molto. Breve tutorial dove viene descritto come ricavare un punto luce con interruttore per comandare una lampadina da una linea di alimentazione, tipico caso di re. Insieme allo schema elettrico un ulteriore aspetto che va deciso è relativo all'installazione dell'impianto elettrico che può essere incassato o a vista. In uno schema di un circuito elettrico tutte le componenti sono rappresentate da appositi simboli ed i collegamenti reciproci mediante linee rette; Guida pratica all'impianto elettrico nell'appartamento(3/6) 3. Livello 1 base, livello 2 standard e livello 3. Este es el diagrama en serie de foquitos de navidad; Giacomo landi) lavori di manutenzione straordinaria di 1 alloggio di e. Rispetta le distanze delle apparecchiature elettriche, per avere un impianto a norma, legge. The legality of library genesis has been in question since 2015 because it allegedly grants access to pirated copies of books and paywalled articles, but the site remains standing and open to the public. Schema del quadro elettrico l'impianto elettrico per le abitazioni civili è in bassa tensione, e per la maggior parte dei casi ha un sistema monofase, ossia con una tensione pari a 230 v. Buongiorno, sono arrivato al punto di ordinare tutto il materiale per il quadro elettrico della mia casa, se qualcuno ha da darmi qualche consiglio ben venga. • impianto elettrico casa incassato :

Tipologia di impianto elettrico ogni linea di distribuzione dell'energia elettrica è alimentata dall'ente erogatore in una cabina di trasformazione. Il compressore è dotato di una serie di piccoli accessori elettrici, come si vede nella seguente figura: Parte dal contatore, che viene consegnato dalla compagnia energetica scelta e si snoda nei vari ambienti, arrivando quindi al quadro elettrico generale. The legality of library genesis has been in question since 2015 because it allegedly grants access to pirated copies of books and paywalled articles, but the site remains standing and open to the public. Schema del quadro elettrico e dimensioni.

Impianto Elettrico A Norma Gli Impianti Elettrici Impianto Elettrico Normative
Impianto Elettrico A Norma Gli Impianti Elettrici Impianto Elettrico Normative from www.casapratica.it
• impianto elettrico casa incassato : 25 a 10 a 16 a Il circuito monofase è composto da una fase, il cavo di neutro e il cavo per la messa a terra. Il circuito luce è protetto da un interruttore magnetotermico da 10 a mentre il circuito prese bipasso 10/16 a da un interruttore magnetotermico da 16 a. Si se usan, por ejemplo, nueve focos para el árbol y en unos días ya hay alguno fundido, se debe a que el voltaje que les está llegando es demasiado, pues a cada foco le llegan 13.9 voltios, resultado de 125 voltios entre. Impianto telefonico schema il doppino telefonico è composto da due conduttori attorcigliati uno con l'altro (intrecciati o twistati ). Pertanto lo schema elettrico è di fondamentale importanza sempre e in ogni caso, e questo sia che si tratti di un impianto elettrico di un piccolo appartamento, piuttosto che di una casa molto. Schema impianto elettrico civile abitazione per il circuito di alimentazione dell'impianto di illuminazione.

Lo schema di un impianto elettrico è solitamente disegnato in nero e nel caso di elettrodomestici è fornita la documentazione allegata.

L'impianto sotto traccia o sotto pavimento segue le pareti e il soffitto cercando di unire tutti i punti luce, le prese e gli interruttori, in base alle proprie esigenze. Si se usan, por ejemplo, nueve focos para el árbol y en unos días ya hay alguno fundido, se debe a que el voltaje que les está llegando es demasiado, pues a cada foco le llegan 13.9 voltios, resultado de 125 voltios entre. The legality of library genesis has been in question since 2015 because it allegedly grants access to pirated copies of books and paywalled articles, but the site remains standing and open to the public. Lo schema, dunque, prevede un circuito monofase composto da una fase, il cavo neutro e il cavo per la messa a terra. Livello 1 base, livello 2 standard e livello 3. Schema impianto elettrico con altri impianti in casa, la casa domotica. Lo schema impianto elettrico a norma deve essere provvisto innanzitutto di linea di messa a terra che prevede l'installazione di un interruttore differenziale, meglio conosciuto dai più col termine di salvavita,un dispositivo indispensabile per proteggere le persone da possibili contatti accidentali diretti o indiretti con cavi o fili elettrici sotto tensione, requisito essenziale perché un impianto possa dirsi a norma, assente nei vecchi impianti elettrici. Schema del quadro elettrico e dimensioni. Impianto telefonico schema il doppino telefonico è composto da due conduttori attorcigliati uno con l'altro (intrecciati o twistati ). Lo schema elettrico descrive sia graficamente e sia tramite l'utilizzo di appositi simboli, tutte le componenti elettriche che contribuiscono a formare l'impianto. Si ricorda che solo personale qualificato e abilitato può intervenire sull'impianto elettrico. Insieme allo schema elettrico un ulteriore aspetto che va deciso è relativo all'installazione dell'impianto elettrico che può essere incassato o a vista. Parte dal contatore, che viene consegnato dalla compagnia energetica scelta e si snoda nei vari ambienti, arrivando quindi al quadro elettrico generale.

Il circuito luce è protetto da un interruttore magnetotermico da 10 a mentre il circuito prese bipasso 10/16 a da un interruttore magnetotermico da 16 a. Un impianto elettrico per civile abitazione è definito come l'insieme di tutti i componenti preposti a generare, distribuire e utilizzare la corrente elettrica. Impianto elettrico fai da te: Parte dal contatore, che viene consegnato dalla compagnia energetica scelta e si snoda nei vari ambienti, arrivando quindi al quadro elettrico generale. Insieme allo schema elettrico un ulteriore aspetto che va deciso è relativo all'installazione dell'impianto elettrico che può essere incassato o a vista.

Impianto Elettrico A Norma Gli Impianti Elettrici Impianto Elettrico Normative
Impianto Elettrico A Norma Gli Impianti Elettrici Impianto Elettrico Normative from www.casapratica.it
Un impianto elettrico per civile abitazione è definito come l'insieme di tutti i componenti preposti a generare, distribuire e utilizzare la corrente elettrica. Lo schema di distribuzione e protezione prevede un interruttore differenziale magnetotermico con corrente differenziale nominale di 30 ma e corrente nominale di lavoro di 25 a. Schema del quadro elettrico e dimensioni. Lo schema di un impianto elettrico è solitamente disegnato in nero e nel caso di elettrodomestici è fornita la documentazione allegata. Il circuito monofase è composto da una fase, il cavo di neutro e il cavo per la messa a terra. Ogni schema elettrico in un appartamento di una casa a pannelli o di un edificio privato è un diagramma esatto dei gruppi di distribuzione e dei singoli elementi elettrici. Proprio da tale schema inizia lo studio di tutto l'impianto: Il circuito luce è protetto da un interruttore magnetotermico da 10 a mentre il circuito prese bipasso 10/16 a da un interruttore magnetotermico da 16 a.

Parte dal contatore, che viene consegnato dalla compagnia energetica scelta e si snoda nei vari ambienti, arrivando quindi al quadro elettrico generale.

Schema impianto elettrico civile abitazione per il circuito di alimentazione dell'impianto di illuminazione. Si se usan, por ejemplo, nueve focos para el árbol y en unos días ya hay alguno fundido, se debe a que el voltaje que les está llegando es demasiado, pues a cada foco le llegan 13.9 voltios, resultado de 125 voltios entre. Este es el diagrama en serie de foquitos de navidad; Ogni schema elettrico in un appartamento di una casa a pannelli o di un edificio privato è un diagramma esatto dei gruppi di distribuzione e dei singoli elementi elettrici. Schema impianto elettrico con altri impianti in casa, la casa domotica. Il circuito luce è protetto da un interruttore magnetotermico da 10 a mentre il circuito prese bipasso 10/16 a da un interruttore magnetotermico da 16 a. Impianto elettrico fai da te: Negli ambienti residenziali sono previste, nella stragrande maggioranza dei casi, soluzioni a bassa tensione con sistema monofase, per cui con tensione nominale pari a 230 volt. Lo schema impianto elettrico a norma deve essere provvisto innanzitutto di linea di messa a terra che prevede l'installazione di un interruttore differenziale, meglio conosciuto dai più col termine di salvavita,un dispositivo indispensabile per proteggere le persone da possibili contatti accidentali diretti o indiretti con cavi o fili elettrici sotto tensione, requisito essenziale perché un impianto possa dirsi a norma, assente nei vecchi impianti elettrici. Sulla base di una planimetria sarà più semplice creare i tuoi schemi elettrici unifilari e multifilari. Un impianto elettrico per civile abitazione è definito come l'insieme di tutti i componenti preposti a generare, distribuire e utilizzare la corrente elettrica. Per ottenere tali standard, bisogna dotare l'impianto elettrico di almeno quattro delle seguenti funzioni: The legality of library genesis has been in question since 2015 because it allegedly grants access to pirated copies of books and paywalled articles, but the site remains standing and open to the public.